提交咨询信息
咨询邮箱:nesfovalve@163.com
我们收到后将会在24小时内回复您
全站搜索
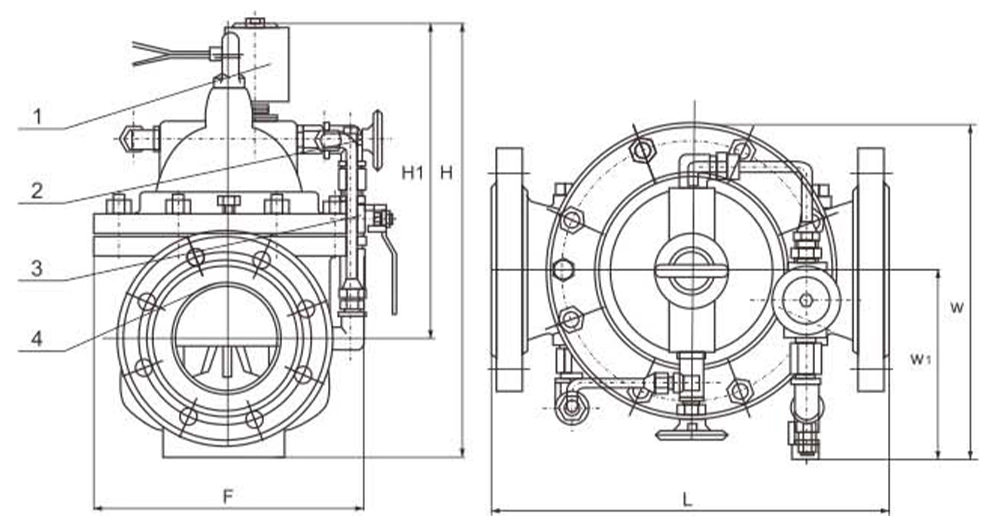
600X电动控制阀由主阀、电磁导阀、针阀、球阀、微形过滤器和压力表组成水力控制接管系统。通过电磁导阀可以实现对阀门开启和关闭的遥控。加装附加装置后,可控制开启和关闭的速度。电控水力控制阀利用导阀控制阀门的开启和关闭,节省能源。可代替其它阀门大型电动装置。电控水力控制阀产品用于高层建筑、生活区等供水管网系统及城市供水工程。600X电动控制阀是一种以电磁阀为向导阀的水力操作式阀门。常用于给排水及工业系统中的自动控制,控制反应准确快速,根据电信号遥控开启和关闭管路系统,实现远程操作。600X电动控制阀可取代闸阀和蝶阀用于大型电动操作系统。阀门关闭速度可调,平稳关闭而不产生压力波动。该阀门体积小、重量轻、维修简单、使用方便。电磁阀可选用交流电220V,或直流电24V,可根据场合选用常开或常闭型均可。
当阀门从阀前端给水时,水流流过针阀进入主阀控制室,当电磁导阀打开时,控制室内的水经电磁导阀、球阀流出。球阀开度大于针阀开度,主阀控制室内压力很低,主阀处于全开状态。当电磁导阀关闭时,主阀控制室的水不能流出,控制室升压,推动膜片关闭主阀。
| 产品型号 | 600X-16P |
|---|---|
| 阀体材质 | 304不锈钢 |
| 控制形式 | 常开/常闭 |
| 可选电压 | AC220V/DC24V |
| 公称压力 | ≤1.6Mpa |
| 适用介质 | 水等 |
| 适用温度 | ≤80℃ |

| 通径 | L | H | H1 | W | W1 | F |
|---|---|---|---|---|---|---|
| DN40 | 210 | 395 | 278 | 240 | 155 | 170 |
| DN50 | 210 | 395 | 278 | 240 | 155 | 170 |
| DN65 | 231 | 405 | 298 | 255 | 165 | 180 |
| DN80 | 253 | 430 | 313 | 280 | 175 | 210 |
| DN100 | 256 | 510 | 350 | 332 | 195 | 275 |
| DN125 | 312 | 560 | 365 | 375 | 220 | 310 |
| DN150 | 364 | 585 | 420 | 408 | 230 | 355 |
| DN200 | 398 | 675 | 450 | 485 | 255 | 460 |
第一步:发送采购清单
请将采购清单发邮件到 nesfovalve@163.com,电话/微信:+86-13382208259,WhatsApp:+852-90445535。
第二步:提供报价和选型
收到客户采购清单后,我公司将为客户提供阀门报价「价格清单」和选型「阀门型号」服务。
第三步:商定具体事宜
具体事宜商定:交货期、特殊要求等细节确认。
立即完善信息,为您提供专属服务!